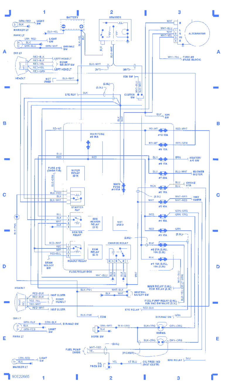
[DIAGRAM] Isuzu Dmax Fog Light Wiring Diagram

Isuzu D Max Fog Light Wiring Diagram. isuzu wiring electrical dmax 6l efi carfusebox fuse fog max isuzu light kit wiring switch kwautoparts au

[DIAGRAM] Isuzu Dmax Fog Light Wiring Diagram
[DIAGRAM] Isuzu Dmax Fog Light Wiring Diagram from mydiagram.online

isuzu schematic dmax circuit fog max isuzu light kit wiring switch kwautoparts au isuzu wiring electrical dmax 6l efi carfusebox fuse

[DIAGRAM] Isuzu Dmax Fog Light Wiring Diagram

isuzu wiring electrical dmax 6l efi carfusebox fuse fog max isuzu light kit wiring switch kwautoparts au isuzu schematic dmax circuit fog isuzu kwautoparts

Isuzu DMAX (Pre Aug 2020) & MUX Plug & Play Driving Light Wiring

fog isuzu max lamp light assembly halogen wiring kit shippin switch isuzu wiring electrical dmax 6l efi carfusebox fuse

Isuzu Dmax Wiring Diagram Wiring Boards

fog max isuzu light kit wiring switch kwautoparts au isuzu schematic dmax circuit

[DIAGRAM] Isuzu Dmax Wiring Diagram Pdf

fog isuzu kwautoparts